Welcome to Tirica Fluid Control Equipment (Sichuan) Co., Ltd.!
English网片式油滤器(SPL、DPL型,GB4733-84)
一、概述
SPL、DPL型网片式油滤器适用于各种型号的稀油润滑装置的过滤以提高油的清洁度,应用于石油、电力、化工、冶金、建材、轻工等行业。
它分为SPL双筒系列和DPL单筒系列,油滤器运行可靠、维修方便,不需要其他动力源,过滤元件为金属丝网制成的滤片,具有强度高、通油能力大、过滤可靠、便于清洗等特点,SPL双筒系列能在主机运行过程中实现不停机切换和清洗。
二、技术参数

1、最高工作温度95℃;2、最高工作压力0.8MPa;3、滤芯清洗压降0.15MPa;4、试验介质粘度为24cSt的清洁油液,当以额定流量通过油滤器时原始压降不大于0.08MPa(过滤精度0.04mm)。
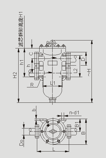
三、外形尺寸
SPL15~SPL40-C(侧置式)
SPL25-D(顶挂式)
装形式:D为顶挂式;C-为侧置式,压差发讯器为选配。
安装形式:X-为下置式,C-为侧置式,
()内尺寸为侧置式,压差发讯器为选配件,SPL80提升机构见附图(一)
SPL100~SPL125-X(下置式)

法兰标准GB573:压差发讯器为选配件。


法兰标准GB573-65:DN150-3组滤芯组件、DN200-4组滤芯组件:压差发讯器为选配件。
DPL单筒网片滤油器



DPL80法兰标准为GB573-65,螺纹管接头标准GB500-75;DN40、DN65带配对方法兰,压差发讯器为选配件。
DPL100~DPL200

法兰标准:GB573-65(可根据需要确定):DN100、150-3组滤芯组件;DN200-4组滤芯组件;压差发讯器为选配件。
1、金属丝网编织形式:平纹编织;2、过滤精度仅供参考。