Welcome to Tirica Fluid Control Equipment (Sichuan) Co., Ltd.!
tirica@126.com
English
Chinese
Home
About Us
Honor
Performance
Product Highlights
Thin oil lubrication station series
Thin oil lubrication components
Hydraulic station series
Electric and manual lubrication pumps
Distributor Series
Fittings and pipe clamps series
Product Introduction
Thin oil lubrication series
Dry oil lubrication system
Contact
Talent Recruitment
✕
首页
About Us
Honor
Performance
Product Highlights
Product Introduction
Contact
Talent Recruitment
Product Introduction
Home
|
Product Introduction
|
Dry oil lubrication system
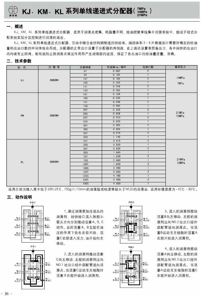
KJ, KM, KL series single-line progressive distributor (7MPa 14MPa 21MPa)
发布时间:
2024-07-08 16:48
浏览量:
298
上一篇:
JSQP(D) series dual line oiler (16MPa)
下一篇:
PSQ type chip lubricator (10MPa)